Neste curso você aprenderá a elaborar vários circuitos eletrônicos (transistorizados e com circuitos integrados), capacitando-o a desenvolver projetos reais completos. Descreveremos alguns cálculos para projetar uma fonte com tripla voltagem, semelhante às fontes usadas em microcomputadores, e analisaremos o funcionamento de vários projetos com circuitos transistorizados. Em seguida, analisaremos o funcionamento de circuitos de automação adotando circuitos integrados, como o CI 555 e amplificadores operacionais. Para aprimorar ainda mais os seus conhecimentos, apresentaremos alguns projetos introdutórios para estudantes de robótica e entusiastas. Finalizaremos ampliando nossos estudos, apresentando alguns testes complementares para que você possa praticar ainda mais os conhecimentos que serão aqui abordados e desenvolver os seus próprios projetos. Ao terminar este curso, você estará apto a projetar e construir vários circuitos eletrônicos para o monitoramento em diversos tipos de projetos.
Módulos deste curso
Módulo 1
Projetos com Circuitos Transistorizados
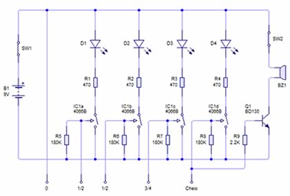
Neste módulo veremos alguns exemplos de circuitos transistorizados usados no dia a dia. Veremos os princípios de funcionamento dos circuitos para aplicações em sistemas de segurança, controles remotos e Iluminação automática em jardins.































Matheus (comprador verificado) –
Ótimo curso, gostei muito!
Malton de Lima Magnago (comprador verificado) –
Gostei muito do material, e a didática.