Neste curso abordaremos os Circuitos de Interface (Contadores) e os seus princípios fundamentais, para que você possa compreender este tópico relativo ao interfaceamento entre circuitos de controle digital e o mundo externo. Estudaremos os contadores assíncronos e síncronos, seus diversos tipos e suas aplicações. Serão aplicados exemplos práticos apresentando testes em laboratório usando os simuladores (Circuit Wizard e Multisim), reforçando o aprendizado para o aluno, mostrando o funcionamento dos contadores com circuitos integrados. Além disso, este curso oferece a prática por meio de análise e diagnóstico e solução de problemas dos circuitos apresentados.
Módulos deste curso
Módulo 1
Introdução aos Contadores
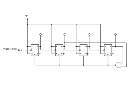
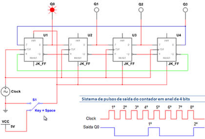
Neste módulo estudaremos os contadores digitais assíncronos aplicados na eletrônica digital e suas principais características. Veremos como funciona o contador de década e quais métodos devemos utilizar para elaborar um contador assíncrono. Além disso, veremos como projetar um contador com modo crescente e decrescente de contagem.































Avaliações
Limpar filtrosNão há avaliações ainda.