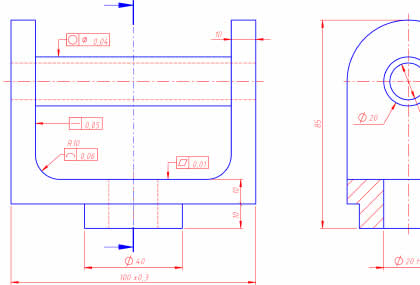
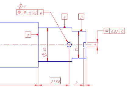
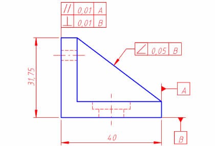
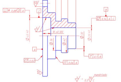
Em grande parte dos detalhamentos mecânicos, não é possível fabricar uma peça com as medidas exatas de um projeto. Isso se dá devido a vários fatores. Por isso, os desenhos técnicos exigem, para cada situação, os limites de variações das dimensões, das geometrias e do estado de superfície do material. Assim, estudaremos, neste curso, várias técnicas de detalhamento com base nas normas da ABNT. Faremos aplicações e configurações nos recursos avançados do SolidWorks para detalhamento de projetos mecânicos voltados para tolerância dimensional, tolerância geométrica e sinais de acabamento de superfície.
Módulos deste curso
Módulo 1
Tolerância Dimensional
No primeiro módulo, estudaremos as tolerâncias dimensionais. Veremos como adicionar tolerâncias às cotas da peça e como alterar a precisão de acordo com as necessidades do projeto. Esse assunto será estudado em quatro aulas que tem por objetivo mostrar os métodos de aplicações de tolerâncias dimensionais em peças e montagens.































gabyanapaula –
Excelente curso